
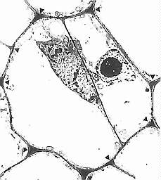
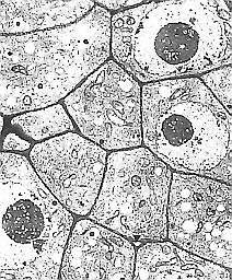
a: Meristemzellen eines Haustoriums von Alectra vogelii, Tropische Scrophulariaceae: Die Meristemzellen sind plasmareich, der Zellkern (mit Nukleolus; dunkel) nimmt einen großen Teil des Zellvolumens ein. Die Vakuole ist noch nicht ausgebildet, Interzellularen (v) zwischen den Zellen sind, wenn vorhanden, englumig. (R. KOLLMANN, 1977); b: Parenchymatische Zellen aus dem Leitbündel des Sprosses einer parasitisch lebenden Art (Orobanche fuliginosa) . Man beachte die voluminösen Vakuolen in beiden abgebildeten Zellen. Die randständigen Zellkerne nehmen nur wenig Raum ein. Die Interzellularen sind durch V hervorgehoben. (I. DÖRR, 1970)